|
|
气动保温球阀 |
|
QB641F |
|
|
气动 |
|
对夹式,法兰 |
|
|
夹套 |
|
软密封,硬密封 |
|
|
1.6MPa-6.4MPa |
|
DN20-200 |
|
|
铸钢,锻钢,不锈钢等 |
|
承质品牌 |
气动保温球阀/气动保温夹套球阀采用一体化结构执行器:执行器形式、控制方式、控制信号(4-20MA)、作用方式(气-开式,气-关式)该产品具有良好的保温保冷特性,且阀门的通径和管径一至,介质呈直线流动,阻力小,最适合容易凝固、高粘度的液体介质。同时又能有效降低管路中介质的热量损失。整体式夹套设计,更能均匀地保温、保冷。夹套、阀体外侧与夹套接管焊接,允许蒸汽或冷水的最高压力为1MPa。主要用于石油、化工、制药、食品等各类系统中,以输送常温下会凝固的高粘度介质。


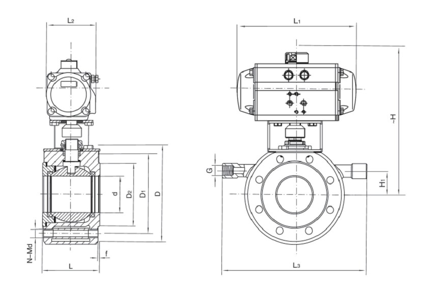
| 规格 | 外形尺寸 | 连接法兰尺寸 | 执行器型号 | |||||||||||||
| d | L | L1 | L2 | L3 | ~H | H1 | D | D1 | D2 | G | f | N-Md | ||||
| DN15 | 15 | 35 | 141/159 | 71/83 | 150 | 177/208 | 15 | 95 | 65 | 46 | 1/2" | 2 | 4-M12 | AT050D/AT063S | ||
| DN20 | 20 | 42 | 141/159 | 71/83 | 160 | 182/213 | 20 | 105 | 75 | 56 | 1/2" | 2 | 4-M12 | AT050D/AT063S | ||
| DN25 | 25 | 48 | 141/211 | 71/95 | 190 | 187/230 | 20 | 115 | 85 | 65 | 1/2" | 2 | 4-M12 | AT050D/AT075S | ||
| DN32 | 29 | 55 | 159/211 | 83/95 | 210 | 223/243 | 25 | 140 | 100 | 76 | 1/2" | 3 | 4-M16 | AT063D/AT075S | ||
| DN40 | 38 | 65 | 211/248 | 95/107 | 230 | 231/261 | 30 | 150 | 110 | 84 | 1/2" | 3 | 4-M16 | AT075D/AT088S | ||
| DN50 | 46 | 75 | 248/269 | 107/123 | 250 | 258/293 | 30 | 165 | 125 | 99 | 1/2" | 3 | 4-M16 | AT088D/AT100S | ||
| DN65 | 62 | 95 | 248/315 | 107/141 | 270 | 273/298 | 45 | 185 | 145 | 118 | 1/2" | 3 | 4-M16 | AT088D/AT115S | ||
| DN80 | 76 | 118 | 269/345 | 123/152 | 300 | 303/325 | 50 | 200 | 160 | 132 | 1/2" | 3 | 8-M16 | AT100D/AT125S | ||
| DN100 | 92 | 140 | 245/409 | 152/172 | 340 | 333/390 | 70 | 220 | 180 | 156 | 1" | 3 | 8-M16 | AT125D/AT145S | ||
| DN125 | 110 | 200 | 409/438 | 172/187 | 360 | 380/468 | 80 | 250 | 210 | 184 | 1" | 3 | 8-M16 | AT145D/AT160S | ||
| DN150 | 145 | 225 | 438/550 | 187/215 | 420 | 432/520 | 95 | 285 | 240 | 211 | 1" | 3 | 8-M20 | AT160D/AT190S | ||
注:连接法兰尺寸可根据ANSI、JIS标准或用户要求设计制造。
注:L1数据XXX/XXX分别是气动执行器双作用式/单作用式(弹簧复位)。
注:根据不同阀门扭矩、使用介质适配的执行器型号可能有所不同,相关尺寸随之变化。
|
声明:【QB641F气动保温球阀】规格型号、结构尺寸由上海承质阀门制造有限公司提供,如何选择适用的QB641F气动保温球阀产品,使之在工艺控制中安全可靠、经济适用,可致电我司销售部门及技术部门,我们将在最短的时间内为您解答! |