船用日标短系列法兰蝶阀JIS F7480
船用日标短系列法兰蝶阀JIS F7480系列日标蝶阀的主要结构特征为对夹式和法兰式三偏心密封形式,阀座密封圈采用弹性密封和软硬兼容的多层次密封两种结构,其密封性能可靠,确保开启时蝶板不接触密封座,消除了密封座不均匀负载,延长了使用寿命,确保可靠的密封性能。具有耐高温、耐磨损、耐腐蚀等优点。广泛应用于石油、化工及船舶等管道上。
船用日标短系列法兰蝶阀JIS F7480主要构件
主要由阀体、阀杆、蝶板和密封圈组成。阀体呈圆筒形,轴向长度短,内置蝶板。
船用日标短系列法兰蝶阀JIS F7480特点
1、蝶阀具有结构简单、体积小、重量轻、材料耗用省,安装尺寸小,开关迅速、90°往复回转,驱动力矩小等特点,用于截断、接通、调节管路中的介质,具有良好的流体控制特性和关闭密封性能。
2、蝶阀可以运送泥浆,在管道口积存液体最少。 低压下,可以实现良好的密封。 调节性能好。
3、蝶板的流线型设计,使流体阻力损失小,可谓是一种节能型产品。
4、阀杆为通杆结构,经过调质处理,有良好的综合力学性能和抗腐蚀性,抗擦伤性。蝶阀启闭时阀杆只作旋转运动而不作升降运行,阀杆的填料不易破坏,密封可靠。与蝶板锥销固定,外伸端为防冲出型设计,以免在阀杆与蝶板连接处意外断裂时阀杆崩出。
5、 连接方式有法兰连接、对夹连接、对焊连接及凸耳对夹连接。 驱动形式有手动、蜗轮传动、电动、 气动、液动、电液联动等执行机构,可实现远距离控制和自动化操作。
优点
1、启闭方便迅速、省力、流体阻力小,可以经常操作。
2、结构简单,外形尺寸小,结构长度短,体积小,重量轻,适用于大口径的阀门。
3、可以运送泥浆,在管道口积存液体最少。
4、低压下,可以实现良好的密封。
5、调节性能好。
6、全开时阀座通道有效流通面积较大,流体阻力较小。
7、启闭力矩较小,由于转轴两侧蝶板受介质作用基本相等,而产生转矩的方向相反,因而启闭较省力。
8、密封面材料一般采用橡胶、塑料、故低压密封性能好。
9、安装方便。
10、操作灵活省力,可选择手动、电动、气动、液压方式。
缺点
1、使用压力和工作温度范围小。
2、密封性较差。 蝶阀按结构形式可分为偏置板式、垂直板式、斜板式和杠杆式。 按密封形式可软密封型和硬密封型两种。软密封型一般采用橡胶环密封,硬密封型通常采用金属环密封。
按连接型式可分为法兰连接和对夹式连接;按传动方式可分为手动、齿轮传动、气动、液动和电动几种。
船用日标短系列法兰蝶阀JIS F7480采用标准
设计标准:API609-83 法兰连接尺寸:JIS B2212 JIS B2213 JIS B2214 结构长度:JIS B2002-1987
压力试验:JIS B2003-1987
驱动形式:手柄、蜗轮、气动、电动等
船用日标短系列法兰蝶阀JIS F7480主要参数
|
公称通径 |
DN |
830W |
830L |
|
2″~36″ |
2″~36″ |
|
公称压力 |
PN |
10K |
20K |
|
试验压力 |
强度实验 |
1.5 |
3.0 |
|
密封实验 |
1.1 |
2.2 |
|
适用介质 |
水、海水、蒸汽、油品等 |
|
适用温度 |
-29~425℃ |
船用日标短系列法兰蝶阀JIS F7480材料表
|
零件名称 |
材料 |
|
阀体 |
WCB、304、316、316SS、CF8M |
|
阀板 |
WCB、304、316、316SS、CF8M |
|
阀杆 |
316、2Cr13、1Cr18Ni9Ti |
|
密封圈 |
316、氟塑料 |
|
填料 |
柔性石墨、氟塑料 |
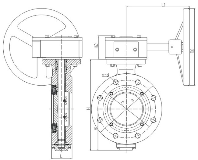
船用日标短系列法兰蝶阀JIS F7480结构图与尺寸表


声明:
本文中所有文字、数据、图片均只适用于参考。需要查看更多的船用日标短系列法兰蝶阀JIS F7480性能参数、结构尺寸参数、价格等详情,或要求高质量印刷样本,请联系我们。
· 电话:18717746989
· 邮箱:sales@m.denvermsbl.com
承质订货须知:
一、A:产品名称、型号、公称通径B:介质及温度、压力范围C:是否有附件、交货期、特殊要求等以便我们的为您正确选型。
二、若已经由设计单位选定我公司的阀门型号,请您根据阀门参数直接与我们销售中心订购。
三、当您使用的场合非常重要或环境比较复杂时,请您提供设计图纸和详细参数,我们的工程师专家会为您审核与分析。我们可以为您提供解决方案,包括设计、定做、成套、运行、服务。我们一直致力于阀门行业领域,为您提供船用阀门知识、服务、技术顾问。
感谢您访问我们的网站【www.m.denvermsbl.com】,如有任何疑问,您可以致电给我们,我们一定会尽心尽力为您提供服务。本厂提供船用蝶阀、船用闸阀、船用止回阀、船用调节阀、船用减压阀、船用呼吸阀、高速透气阀、船用快关阀、船用自闭阀、船用旋塞阀、船用消防阀、船用通海阀、船用防浪阀、船用滤器、船用空气帽、船用球阀、船用截止阀、船用截止止回阀、船用阀组、船用截止阀箱、船用针型阀、船用电磁阀、船用隔膜阀、船用压力表阀等各类船用阀门,不锈钢阀门。