|
|
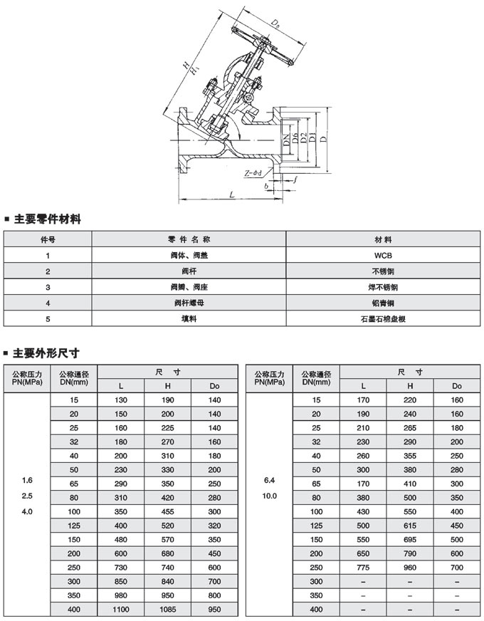
Y型截止阀 |
|
J45H,J15Y/J65Y |
|
|
手动,电动,气动 |
|
法兰,焊接,螺纹 |
|
|
Y型 |
|
硬密封 |
|
|
150LB-2500LB |
|
DN15-200 |
|
|
WCB,锻钢,不锈钢等 |
|
承质品牌 |
1、阀门设计与制造按API 623-2013、JIS E101和NB/T 47044-2014等的规定;
2、阀门试验按API 598-2009等的规定;
3、结构长度按ASME B16.10-2009、JIS E101和NB/T 47044-2014等的规定,或按企标长度或用户提供尺寸;
4、焊接坡口按ASEM B16.25-2012、GB/T 12224-2005、JB/T 3595-2002,NB/T 47044-2014和电力工业管理标准78DG等的规定或用户提供尺寸;
5、压力温度额定值按ASME B16.34-2013等的规定。


| 阀体 | WCB | WC1 | WC6 | WC9 |
| 阀盖 | 25 | 15CrMoA | 12Cr1MoVA | 12Cr1MoVA |
| 支架 | WCB | WCB | WCB | WCB |
| WC1 | WC6 | WC9 | ||
| 阀瓣 | 25 | 15CrMoA | 12Cr1MoVA | 12Cr1MoVA |
| 阀杆 | 25Cr2MoV | 25Cr2MoV | 20Cr1Mo1V1A | 20Cr1Mo1V1A |
| 阀座 | 25 | 15Cr1MoA | 12Cr1MoVA | 12Cr1MoVA |
| 密封环 | 增强柔性石墨 | |||
| 填料 | 增强柔性石墨 | |||
| 阀杆螺母 | ZCuA110Fe3 | |||
主要材质零件
| 序号 | 零件名称 | CStoASTM | AStoASTM | SStoASTM | |
| A105 | A182F22 | A182F304(L) | A182F316(L) | ||
| 1 | 阀体 | A105 | A182F22 | A182F304(L) | A182F316(L) |
| 2 | 阀瓣 | A276 420 | A276 304 | A276 304(L) | A276 316(L) |
| 3 | 阀杆 | A182 F6 | A182F304(L) | A182F316(L) | |
| 4 | 密封螺母 | A105 | A182F304 | A182F304(L) | A182F316(L) |
| 5 | 填料 | 柔性石墨 | PTFE | ||
| 6 | 密封圈 | F182F304L | A182F316(L) | ||
| 7 | 提升螺母 | A1942H | A1944 | A1948 | A1948M |
| 8 | 填料压套 | A276 420 | A182 F304 | ||
| 9 | 填料压板 | A216WCB | A351CF8 | ||
| 10 | 销钉 | A276420 | A182F304 | ||
| 11 | 活节螺栓 | A193 B7 | A193B16 | A193B8 | A1983 B8M |
| 12 | 螺母 | A1942H | A1944 | A1948 | A1948M |
| 13 | 油嘴 | A105 | A182F22 | A182F304(L) | A182F316(L) |
| 14 | 阀杆螺母 | A276 F410 | |||
| 15 | 阀盖 | A105 | A182F22 | A182F304(L) | A182F316(L) |
| 16 | 铭牌 | SS | |||
| 17 | 锁紧螺母 | A1942H | A1944 | A1948 | A1948M |
| 18 | 手轮 | A197 | |||
| 适用介质 | 水、蒸汽、油品等 | 水、蒸汽、油品等 | 硝酸、醋酸等 | ||
| 适用温度 | ~29~425 | ~29~550 | ~29~200 | ||


|
声明:【Y型截止阀J45H,J15Y/J65Y】规格型号、结构尺寸由上海承质阀门制造有限公司提供,如何选择适用的Y型截止阀J45H,J15Y/J65Y产品,使之在工艺控制中安全可靠、经济适用,可致电我司销售部门及技术部门,我们将在最短的时间内为您解答! |