|
|
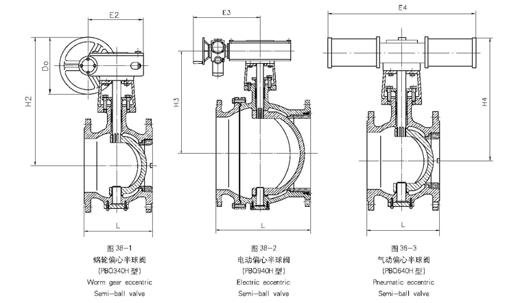
偏心半球阀 |
|
PBQ340H |
|
|
手动,电动,气动 |
|
法兰 |
|
|
偏心半 |
|
硬密封,软密封 |
|
|
1.6MPa-10MPa |
|
DN50-1000 |
|
|
铸钢,不锈钢等 |
|
承质品牌 |
1.设计与制造:GB/T12237
1. 开关方便:启闭时球面与阀体相脱离,无任何接触,扭矩小,转动灵活,启闭时半球阀座的剪切作用能切去密封面上的结垢及粘连物,能保持密封严紧。
2. 直通式:单向密封和偏心式结构,开启时球与阀体相脱离,流道直通,不会出现卡、堵现象。
3. 阀门属于硬密封结构,密封副根据不同介质,使用不同的耐磨合金材质,而且还具有坚硬的耐磨性与相应的耐腐蚀性。
4. 密封面的偏心结构使球面能自动补偿磨损,保持阀门的密封性,使用寿命长,安全可靠。


| 公称压力(Mpa) | 0.6 | 1.0 | 1.6 | 2.5 | 4.0 |
| 公称通经(mm) | 40-600 | 40-600 | 40-600 | 40-600 | 40-600 |
| 密封试验压力(Mpa) | 0.66 | 1.1 | 1.76 | 2.75 | 4.4 |
| 壳体试验压力(Mpa) | 0.9 | 1.5 | 2.4 | 3.75 | 6.0 |
| 适用温度() | -29~300、-29~425、-29~540 | ||||
| 适用介质 | 清水、海水、污水、酸碱等液体、料浆、蒸汽、燃气、油类 | ||||
| 驱动方式 | 手动、电动、气动 | ||||
| 连接形式 | 法兰连接、对夹连接 | ||||
| 安装方式 | 立式安装、卧式安装 | ||||
材料明细表
| 序号 | 名称及规格 | 材料 |
| 1 | 底盖 | 25 |
| 2 | 内六角螺栓 | 35CrMo |
| 3 | 垫片 | 柔性石墨 |
| 4 | 阀体 | WCB |
| 5 | 下阀杆 | 2Cr13 |
| 6 | 球体 | WCB |
| 7 | 滑动轴承 | 铜基合金或不锈钢 |
| 8 | 垫片 | 柔性石墨 |
| 9 | 阀座+堆焊合金钢 | 25 |
| 10 | 阀座支承 | 25 |
| 11 | 内六角螺栓 | 35CrMo |
| 12 | 键 | 40Cr |
| 13 | 上阀杆 | 2Cr13 |
| 14 | 滑动轴承 | 铜基合金或不锈钢 |
| 15 | 填料垫 | 2Cr13 |
| 16 | 填料 | 柔性石墨 |
| 17 | 填料压盖 | WCB |
| 18 | 支架 | WCB |
| 19 | 螺柱 | 35CrMo |
| 20 | 螺母 | 45 |
| 21 | 螺柱 | 35CrMo |
| 22 | 螺母 | 45 |
| 23 | 螺柱 | 35CrMo |
| 24 | 螺母 | 45 |
| 25 | 键 | 40Cr |
| 26 | 手动操作器 | 组合件 |
| 阀体 阀盖 | GB | WCB | ZG1Cr18Ni9Ti | ZG0Cr18Ni12Mo2Ti | ZG15Cr1Mo1V | |||
| ASTM | WCB | CF8 | CF8M | WC9 | ||||
| 球体 | GB | ZG2Cr13 | ZG1Cr18Ni9Ti 表面特殊处理 | ZG0Cr18Ni12Mo2Ti 表面特殊处理 | ZG15Cr1Mo1V 表面特殊处理 | |||
| ASTM | CA15 | CF8+HF | CF8M+HF | WC9+HF | ||||
| 阀杆 | GB | 2Cr13 | 1Cr18Ni9Ti | 0Cr18Ni12Mo2Ti | 25Cr2Mo2V | |||
| ASTM | 420 | 304 | 316 | F22a | ||||
| 阀座 | GB | PTFE | 2Cr13 | PTFE | 1Cr18Ni9Ti | PTFE | 0Cr18Ni12Mo2Ti | D517 |
| ASTM | PTFE | 420 | PTFE | 304 | PTFE | 316 | HF | |
| 填料 | GB | PTFE | 柔性石墨 | PTFE | 柔性石墨 | PTFE | 柔性石墨 | 柔性石墨 |
| ASTM | PTFE | 柔性石墨 | PTFE | 柔性石墨 | PTFE | 柔性石墨 | 柔性石墨 | |
| 螺栓 | GB | 35 | 0Cr18Ni9 | 0Cr18Ni9 | 15Cr1Mo1V | |||
| ASTM | A193 B7 | A320-B8 | A320-B8 | A193 B16 | ||||
| 螺母 | GB | 45 | 0Cr18Ni9 | 0Cr18Ni9 | 20CrMo | |||
| ASTM | A194 2H | A194-8 | A194-8 | A194-4 | ||||


|
声明:【偏心半球阀 PBQ340H】规格型号、结构尺寸由上海承质阀门制造有限公司提供,如何选择适用的偏心半球阀 PBQ340H产品,使之在工艺控制中安全可靠、经济适用,可致电我司销售部门及技术部门,我们将在最短的时间内为您解答! |