|
公称压力 Nominal Pressure (MPa) |
公称通径 Nominal Diameter (mm) |
适用介质 Applicable Medium |
| 1.0 | 65-125 |
海水、淡水、滑油、燃油和t≤220℃的蒸汽 Sea water,Fresh water, Fuel oil and steam (t≤220℃) |
| 1.6 | 20-125 | |
| 2.5 | 20-100 |
| 名称 name | 材料 material | 牌号Marks |
|
阀体、阀盖 body cover |
铸钢 Cast Steel |
ZG230-45 |
| 阀盘disc |
优质碳素钢 Carbon Steel |
钢25 |
| 密封圈 seal ring |
焊不锈钢 Weld Stainless Steel |
H2Cr13 |

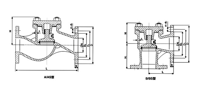
| 公称 压力 PN (MPa) |
公称 通径 DN(mm) |
结构尺寸 Structure Dimension |
壁厚Thickness | 法兰 Flange |
螺栓 Bolt |
升程 Lift Range m |
参考重量Weight(kg) | ||||||||||
| L | H≈ | H1 | |||||||||||||||
| A型 | B型 | A型 | B型 | B型 | D | D1 | D2 | d0 | b | n个 | Th | A型 | B型 | ||||
| 1.0 | 65 | 290 | 1 15 | 124 | 91 | 115 | 6 | 155 | 123 | 104 | 15 | 14 | 6 | M14 | 18 | 12.5 | 10.6 |
| 80 | 310 | 125 | 151 | 110 | 125 | 7 | 170 | 138 | 118 | 15 | 14 | 8 | M14 | 24 | 15.6 | 14.4 | |
| 100 | 350 | 150 | 165 | 116 | 135 | 8 | 190 | 158 | 138 | 15 | 14 | 8 | M14 | 35 | 24.5 | 19.9 | |
| 125 | 400 | 175 | 184 | 124 | 155 | 8 | 215 | 183 | 164 | 15 | 14 | 10 | M14 | 44 | 31 9 | 27.5 | |
| (1.6) 2.5 | 20 | 150 | 75 | 84 | 70 | 75 | 6 | 95 | 68 | 48 | 13 | 11 | 4 | M12 | 7 | 3.3 | 3.2 |
| 25 | 160 | 80 | 84 | 70 | 80 | 6 | 105 | 73 | 56 | 13 | 12 | 4 | M12 | 7 | 3.9 | 3.8 | |
| 32 | 180 | 85 | 90 | 70 | 85 | 6 | 115 | 83 | 64 | 15 | 13 | 6 | M14 | 9 | 5.8 | 5 1 | |
| 40 | 200 | 90 | 99 | 75 | 90 | 7 | 125 | 93 | 74 | 15 | 13 | 6 | M14 | 11 | 7.1 | 6.3 | |
| 50 | 230 | 95 | 110 | 81 | 95 | 7 | 135 | 103 | 84 | 15 | 13 | 6 | M14 | 14 | 8.8 | 8.5 | |
| 65 | 290 | 1 15 | 128 | 94 | 115 | 7 | 170 | 132 | 110 | 17 | 15 | 8 | M16 | 18 | 13.5 | 11.5 | |
| 80 | 310 | 125 | 156 | 115 | 125 | 7 | 185 | 147 | 126 | 17 | 16 | 8 | M16 | 24 | 18 | 16.9 | |
| 100 | 350 | 150 | 158 | 119 | 135 | 8 | 205 | 167 | 146 | 17 | 15 | 10 | M16 | 35 | 26.3 | 22.7 | |
| 公称 压力 PN (MPa) |
公称 通径 DN(mm) |
结构尺寸 Structure Dimension |
壁厚 Thickness |
法兰 Flange | 法兰Flange |
升程 Lift Range m |
参考重量Weight(kg) | ||||||||||
| L | H≈ | H1 | |||||||||||||||
| AS型 | BS型 | AS型 | BS型 | BS型 | D | D1 | D2 | d0 | b | n个 | Th | AS型 | BS型 | ||||
| (1.0) 1.6 | 100 | 350 | 175 | 158 | 119 | 175 | 8 | 220 | 180 | 158 | 18 | 22 | 8 | M16 | 28 | 30.4 | 28.1 |
| 125 | 400 | 200 | 184 | 124 | 200 | 8 | 250 | 210 | 184 | 18 | 22 | 8 | M16 | 35 | 39.6 | 35.2 | |
| (1.6) 2.5 | 20 | 150 | 95 | 84 | 70 | 95 | 6 | 105 | 75 | 58 | 14 | 16 | 4 | M12 | 7 | 4.2 | 4.2 |
| 25 | 160 | 100 | 84 | 70 | 100 | 6 | 115 | 85 | 68 | 14 | 16 | 4 | M12 | 7 | 4.9 | 5 | |
| 32 | 180 | 105 | 90 | 70 | 105 | 6 | 140 | 100 | 78 | 18 | 18 | 4 | M16 | 9 | 8.4 | 7.9 | |
| 40 | 200 | 115 | 99 | 75 | 115 | 7 | 150 | 1 10 | 88 | 18 | 18 | 4 | M16 | 12 | 8.9 | 8.8 | |
| 50 | 230 | 125 | 110 | 81 | 125 | 7 | 165 | 125 | 102 | 18 | 20 | 4 | M16 | 15 | 10.4 | 10 1 | |
| 65 | 290 | 145 | 128 | 94 | 145 | 7 | 185 | 145 | 122 | 18 | 22 | 8 | M16 | 19 | 16.6 | 15.3 | |
| 80 | 310 | 155 | 156 | 115 | 155 | 7 | 200 | 160 | 133 | 18 | 24 | 8 | M16 | 23 | 22.1 | 20 | |
| 100 | 350 | 175 | 158 | 119 | 175 | 8 | 235 | 190 | 158 | 22 | 24 | 8 | M20 | 28 | 31 5 | 29.2 | |
声明:
本文中所有文字、数据、图片均只适用于参考。需要查看更多的船用法兰铸钢止回阀GB/T586-1999性能参数、结构尺寸参数、价格等详情,或要求高质量印刷样本,请联系我们。
· 电话:18717746989
· 邮箱:sales@m.denvermsbl.com
承质订货须知:
一、A:产品名称、型号、公称通径B:介质及温度、压力范围C:是否有附件、交货期、特殊要求等以便我们的为您正确选型。
二、若已经由设计单位选定我公司的阀门型号,请您根据阀门参数直接与我们销售中心订购。
三、当您使用的场合非常重要或环境比较复杂时,请您提供设计图纸和详细参数,我们的工程师专家会为您审核与分析。我们可以为您提供解决方案,包括设计、定做、成套、运行、服务。我们一直致力于阀门行业领域,为您提供船用阀门知识、服务、技术顾问。
感谢您访问我们的网站【www.m.denvermsbl.com】,如有任何疑问,您可以致电给我们,我们一定会尽心尽力为您提供优质的服务。本厂提供船用蝶阀、船用闸阀、船用止回阀、船用调节阀、船用减压阀、船用呼吸阀、高速透气阀、船用快关阀、船用自闭阀、船用旋塞阀、船用消防阀、船用通海阀、船用防浪阀、船用滤器、船用空气帽、船用球阀、船用截止阀、船用截止止回阀、船用阀组、船用截止阀箱、船用针型阀、船用电磁阀、船用隔膜阀、船用压力表阀等各类船用阀门,不锈钢阀门。